Copyright (C)SUWA TSUSHIN NETWORK.
All Rights Reserved. TOPへ戻る
スポンサードリンク

No.0102 2025.1.2




ルネサス RL78/F25 (3) ボタンスイッチ入力回路、LED点灯回路を作成する





回路図(PDF): 20251228_RL78F25.pdf (1,112 KB)

ピンアサイン表(Excel): RL78_F25 ピンアサイン 20251228.xlsx (23 KB)

ソースファイル: なし


□ 1.部品のはんだ付け

ボタンスイッチの入力回路、デジタル入力回路です。
ボタンが離された状態では、R3、R4を通って5Vがマイコンに入力されます。
ボタンが押されるとC11に充電された電荷がSW1に流れて、R4が0Vになります。
ボタンが押された状態では、R3とR4の間は0Vとなり、0Vがマイコンに入力されます。
ボタンが離されるとC11に電荷が充電され、充電が終わるとマイコンに入力される電圧は5V一定となります。
マイコンのレジスタは、ボタンSWを押すとLo:0、離すとHi:1となります。




ボタンは、アルプス製のリード部品スイッチを使いました。
スイッチON時に流れる電流はわずか0.5mAですので、スイッチなら何でも良いでしょう。




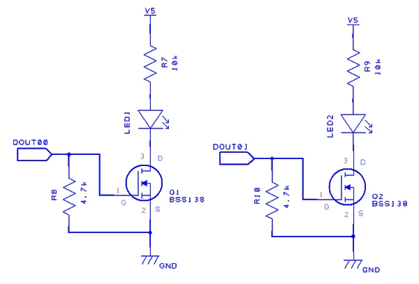
LED点灯回路、デジタル出力回路です。


この回路でLEDの駆動にFETを使用します。
理由は以下の通りです。

マイコンの出力電圧をそのままLEDの駆動電圧としても良いのですし、世の中のマイコン入門におけるLチカはだいたいそうなっています。
しかし例えばマイコンの出力ピンが1つでもGNDにショートして大電流が流れると、マイコンごと死んでしまうのが一般的です。その大電流が流れたピンだけ壊れて、他のマイコン機能は大丈夫といった都合のよいマイコンは存在しません。ですのでマイコンを使うときは、なるべくショートの起きにくい回路にする必要があります。マイコンの出力は信号として使い、FETやトランジスタを介してLEDなどを駆動するようにしましょう。ちなみにFETの場合、大電流を流してショートモードで破壊しても、ドレインソース間がショートするだけでゲートまでショートすることはありません。

今回は定格電流の小さいFETを使用しましたが、ドレイン側の電圧を5VからVccに変更して、60Aなどの大電流が流せるFETに置き換えれば、何Aもの大電流が流せる回路になります。

参考レポート
No.0029 Nch FETの選び方

No.0022 Nch FETを低い信号電圧で制御する方法

No.0021 電気信号の電圧変換、レベルコンバート

ゲートとGND間の抵抗は、5V(ON)から0V(OFF)に切り替わるときに、スイッチングの速度を速める効果があります。1kΩ以下にするとスイッチング速度が速くなりますが、消費電力が大きくなり、抵抗が発熱してしまいます。抵抗値が大きくなるほどスイッチング特性は悪化しますが、今回は人間が視認するLEDのON/OFFで使用するため、抵抗値を大きめにしています。 この抵抗の他の効果としては、FET自体は寄生容量が充電される以上の電流が流れないため、電圧切り替わり時のリンギングを抑えるといったことも期待できます。
なおゲートには素子保護やEMC対策等の観点からシリーズで100Ω程度以下の抵抗を入れるのが一般的ですが、今回は面倒なので省略しています。

今回は、BSS138を使用します。秋月電子で購入でき(通販コード 104232)、25個入りで100円と安く購入できます。




パッケージ形状がSOT-23であれば、ユニバーサル基板にそのままはんだ付けできます。
はんだ付けな苦手であれば、変換基板を使うのも手かもしれません。




LEDはチップLEDを使用しました。砲弾型でもまったく問題ありません。
好みの問題です。




チップLEDの向きです。表面は色の付いているほうがカソード、裏面は凸の下側がアノードです。
凸を遠くから見ると△に見えるため、そのままダイオードの記号だと思って使えます。

ちなみにLEDの制限抵抗は、今回は10kΩにしました。
昭和の古いタイプの砲弾型の場合、定格電流近くまで流さないと暗い物も多くありました。
現在流通しているLEDは超高輝度型ですので、定格電流を流すと眩しすぎて目が潰れてしまいます。
LEDにもよりますが、定格の1/10〜1/50、物によっては1/100程度まで電流を落とさないと眩しくなってしまいます。
LEDの電流制限抵抗の計算は、電源電圧からLEDの順方向電圧を差し引いて、目論見の電流値から抵抗を決めます。
LEDの順方向電圧は、白や青は2.6V、赤や緑は1.6Vくらいですが、実際はデータシートやテスタで確認してください。

参考レポート
LEDの抵抗、電流 計算ツール




はんだ付けが完了したLED点灯回路、ボタンスイッチ入力回路です。




LED点灯回路、ボタンスイッチ入力回路の裏面です。




今回は、P70、P71をボタンスイッチ入力(デジタル入力)、
P64、P65をLED点灯出力(デジタル出力)として使います。



電源入力があるのかどうか分かりにくかったので、VccにLEDを追加しました。 今回は47kΩを使用しましたが、12V〜24Vなどの高めの電圧を入力する場合は100kΩ(47kΩ 2個 直列)にしたほうが良いかもしれません。




全体の配線です。良い感じになってきました。




では、E2 Liteを接続してパソコンから動かしてみましょう。
Vccの電圧は6〜24Vで、標準電圧は7Vとします。




次のレポート
>> ルネサス RL78/F25 (4) デジタル入出力の方法



前のレポート
<< ルネサス RL78/F25 (2) CS+ CC-RL からE1、E2 Liteでデバッグ接続する


スポンサードリンク

TOPへ戻る


ご利用条件
 Copyright (C)SUWA TSUSHIN NETWORK. All Rights Reserved.